Producent:
Cubigel Compressors
Typoszereg: S
Kod produktu: MS34TB_T
  • Wydajność chłodnicza [W]:
    2 704
  • Pojemność cylindra [cm³]:
    34,42
  • Czynnik chłodniczy:
    R404A
  • Zastosowanie:
    HBP
  • Zasilanie:
    230V/1~/50Hz
Zapytaj

Dane

Dane techniczne

Nominalna wydajność chłodnicza (CECOMAF)
[W]
4 197
Nominalna wydajność chłodnicza (ASHRAE)
[kcal/h]
4 550
Wydajność wolumetryczna
[m³/h]
6,20
Pojemność cylindra
[cm³]
34,42
Średnica cylindra
[mm]
42,9
Skok cylindra
[mm]
23,9
Ilość oleju
[l]
0,70
Typ oleju
ISO VG 46 ESTER
Masa netto
[kg]
21,76

Dane elektryczne i zakresy

Zasilanie
220-240V 50Hz ~1
Maksymalny prąd ciągły
[A]
17,5
Prąd przy zablokowanym wirniku
[A]
41,0
Rezystancja uzwojenia silnika
[Ω]
1,38
Rezystancja uzwojenia pomocniczego
[Ω]
4,58
Typ silnika elektrycznego
CSR
Typ momentu rozruchowego
HST
Maksymalna temperatura otoczenia
[°C]
43

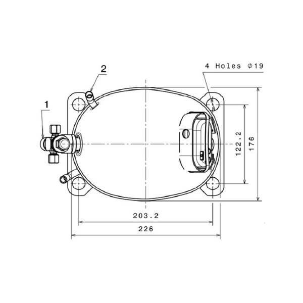
Wymiary

Średnica rury ssawnej / serwisowej (1) ¹
[mm]
12,7
Średnica gwintu przyłącza ssawnego (1) ²
[cal]
5/8
Średnica rury tłocznej (3)
[mm]
8,0
Średnica rury serwisowej / ssawnej (2)
[mm]
9,7

Inne

Dopuszczone czynniki chłodnicze
R404A
Element rozprężny
Rurka kapilarna, Zawór rozprężny
Chłodzenie sprężarki
Wentylatorowe
Aprobaty
CCC
Zastosowanie
HBP

     1 Dotyczy wersji bez zaworu.
     2 Dotyczy wersji z zaworem.

Wydajność

Wprowadzono nieprawidłowe dane. Skoryguj je i spróbuj ponownie.
Wydajność
Parowanie
Skraplanie

Wydajność chłodnicza [W]

Temperatura parowania [°C]
Temperatura skraplania [°C]
 
-15
-10
-5
0
5
10
40
2 378
3 048
3 787
4 594
5 469
6 411
45
2 098
2 704
3 380
4 126
4 944
5 832
50
1 819
2 361
2 973
3 659
4 418
5 254
55
1 541
2 019
2 568
3 192
3 893
4 675
60
1 678
2 163
2 724
3 367
4 097

Pobór mocy [W]

Temperatura parowania [°C]
Temperatura skraplania [°C]
 
-15
-10
-5
0
5
10
40
1 403
1 525
1 665
1 824
2 001
2 196
45
1 445
1 581
1 735
1 908
2 099
2 308
50
1 486
1 636
1 805
1 991
2 197
2 421
55
1 527
1 692
1 874
2 075
2 295
2 533
60
1 747
1 944
2 159
2 393
2 645

Zakres zastosowania

Legenda

  • Bieżące warunki pracy

Wymiary

Wymiar A
[mm]
276

Pliki do pobrania

Certyfikat, [47.8 KB]
Cubigel Compressors
12-2021
EN
Certyfikat, [1.7 MB]
Cubigel Compressors
12-2020
EN
Deklaracja, [565.1 KB]
Cubigel Compressors
12-2017
EN
Certyfikat, [225.4 KB]
Cubigel Compressors
11-2020
EN
Folder, [4.1 MB]
Cubigel Compressors
12-2020
EN
Folder, [6.2 MB]
Cubigel Compressors
05-2021
EN
Instrukcja obsługi, [4.6 MB]
Cubigel Compressors
12-2019
EN
Instrukcja obsługi, [1.1 MB]
Cubigel Compressors
08-2021
EN
Instrukcja obsługi, [1.6 MB]
Cubigel Compressors
11-2015
EN
Dokumentacja techniczna, [457.9 KB]
Cubigel Compressors
07-2013
EN
Dokumentacja techniczna, [263.6 KB]
Cubigel Compressors
07-2013
EN
Dokumentacja techniczna, [774.5 KB]
Cubigel Compressors
07-2013
EN
Dokumentacja techniczna, [494.4 KB]
Cubigel Compressors
09-2018
EN
Dokumentacja techniczna, [313.9 KB]
Cubigel Compressors
09-2017
EN
Dokumentacja techniczna, [365.7 KB]
Cubigel Compressors
07-2017
EN
Dokumentacja techniczna, [222.8 KB]
Cubigel Compressors
02-2014
EN
Deklaracja, [413.2 KB]
Cubigel Compressors
04-2016
EN
Deklaracja, [61.8 KB]
Cubigel Compressors
EN
Folder, [1.9 MB]
Cubigel Compressors
05-2021
EN
Folder, [2.3 MB]
Cubigel Compressors
07-2021
EN
Folder, [341.5 KB]
Cubigel Compressors
07-2013
EN
Folder, [1.5 MB]
Cubigel Compressors
05-2022
PL
Katalog, [1.2 MB]
Cubigel Compressors
09-2019
EN
Katalog, [5.3 MB]
Cubigel Compressors
05-2022
EN
Instrukcja obsługi, [1.5 MB]
Cubigel Compressors
03-2018
EN
Certyfikat, EN, Cubigel Compressors, 12-2021, [47.8 KB]
Certyfikat, EN, Cubigel Compressors, 12-2020, [1.7 MB]
Deklaracja, EN, Cubigel Compressors, 12-2017, [565.1 KB]
Certyfikat, EN, Cubigel Compressors, 11-2020, [225.4 KB]
Folder, EN, Cubigel Compressors, 12-2020, [4.1 MB]
Folder, EN, Cubigel Compressors, 05-2021, [6.2 MB]
Instrukcja obsługi, EN, Cubigel Compressors, 12-2019, [4.6 MB]
Instrukcja obsługi, EN, Cubigel Compressors, 08-2021, [1.1 MB]
Instrukcja obsługi, EN, Cubigel Compressors, 11-2015, [1.6 MB]
Dokumentacja techniczna, EN, Cubigel Compressors, 07-2013, [457.9 KB]
Dokumentacja techniczna, EN, Cubigel Compressors, 07-2013, [263.6 KB]
Dokumentacja techniczna, EN, Cubigel Compressors, 07-2013, [774.5 KB]
Dokumentacja techniczna, EN, Cubigel Compressors, 09-2018, [494.4 KB]
Dokumentacja techniczna, EN, Cubigel Compressors, 09-2017, [313.9 KB]
Dokumentacja techniczna, EN, Cubigel Compressors, 07-2017, [365.7 KB]
Dokumentacja techniczna, EN, Cubigel Compressors, 02-2014, [222.8 KB]
Deklaracja, EN, Cubigel Compressors, 04-2016, [413.2 KB]
Deklaracja, EN, Cubigel Compressors, [61.8 KB]
Folder, EN, Cubigel Compressors, 05-2021, [1.9 MB]
Folder, EN, Cubigel Compressors, 07-2021, [2.3 MB]
Folder, EN, Cubigel Compressors, 07-2013, [341.5 KB]
Folder, PL, Cubigel Compressors, 05-2022, [1.5 MB]
Katalog, EN, Cubigel Compressors, 09-2019, [1.2 MB]
Katalog, EN, Cubigel Compressors, 05-2022, [5.3 MB]
Instrukcja obsługi, EN, Cubigel Compressors, 03-2018, [1.5 MB]

Z uwagi na fakt częstych zmian i aktualizacji, prezentowane dane mają charakter informacyjny. Wszelkie materiały zawarte na tej stronie objęte są prawem autorskim i wykorzystywanie, kopiowanie lub rozpowszechnianie ich w jakiejkolwiek formie jest, bez pisemnej zgody firmy Elektronika SA, zabronione. Prosimy o zapoznanie się z pełną treścią Zasad użytkowania

Sprzedaż urządzeń

Jesteśmy bezpośrednim importerem, przedstawicielem i autoryzowanym dystrybutorem wiodących producentów światowego chłodnictwa i klimatyzacji. Podstawową działalnością firmy jest handel hurtowy i dystrybucja urządzeń i akcesoriów z branży HVACR, w tym pomp ciepła i chillerów, poprzez własną sieć oddziałów

Sprawdź ofertę

Wsparcie techniczne

Aktywnie wspieramy naszych Instalatorów i Projektantów branży HVACR. Organizujemy szkolenia produktowe, służymy pomocą i doradztwem technicznym inżynierów chłodnictwa i klimatyzacji, na każdym etapie realizacji inwestycji. Setki zakończonych sukcesem inwestycji potwierdzają nasze kompetencje i doświadczenie

Sprawdź ofertę

Procesy inwestycyjne

W swoich strukturach organizacyjnych posiadamy Działy Realizacji Inwestycji, które bazując na umiejętnościach własnych inżynierów i projektantów, we współpracy z firmami instalacyjnymi z terenu inwestycji, są w stanie zaprojektować i zrealizować najnowocześniejsze instalacje chłodnicze, mroźnicze i klimatyzacyjne

Sprawdź ofertę